SP4MC3MR/10KG稱重傳感器 HBM
德國HBM SP4MC3MR/10KG傳感器更多產品詳細資料請點擊:
德國HBM傳感器,
進入頁面可查找HBM傳感器型號、HBM稱重傳感器技術參數選型資料,以及德國HBM扭矩傳感器具體安裝技術指導信息。9wk廣州南創電子科技有限公司名稱:德國HBM SP4MC3MR/10KG稱重傳感器
9wk廣州南創電子科技有限公司品牌:德國HBM
9wk廣州南創電子科技有限公司供應商:
廣州南創電子科技有限公司9wk廣州南創電子科技有限公司購買德國HBM SP4MC3MR/10KG稱重傳感器請務必認準【廣州★南創】銷售商官網,全國服務電話:020-82303306,我們鄭重承諾:“三個月內不滿意隨時無條件退換貨,退還全部貨款,不收任何費用,質保兩年,提供終身免費維護!”9wk廣州南創電子科技有限公司產品型號:SP4MC3MR/10KG稱重傳感器
9wk廣州南創電子科技有限公司產品系列:SP4MC3MR傳感器
9wk廣州南創電子科技有限公司產品規格:多個規格可選)
9wk廣州南創電子科技有限公司
9wk廣州南創電子科技有限公司SP4MC3MR/10KG稱重傳感器產品特點:9wk廣州南創電子科技有限公司德國HBM SP4MC3MR/10kg單點式稱重傳感器
9wk廣州南創電子科技有限公司IP67防護等級,HBM SP4MC3MR/10kg傳感器穩定性好,易安裝
9wk廣州南創電子科技有限公司1-SP4MC3MR/10kg-1HBM傳感器精度等級:C3,(C6可選)
9wk廣州南創電子科技有限公司HBM稱重傳感器SP4MC3MR10kg量程可選:1,3,5,7,10,15,20,30,50,75,100,150,200kg
9wk廣州南創電子科技有限公司SP4MC3MR 10kgHBM稱重傳感器應用于食品、包裝和化學工業以及貿易和農業領域
9wk廣州南創電子科技有限公司例如皮帶秤、地磅以及灌裝和生產系統
9wk廣州南創電子科技有限公司9wk廣州南創電子科技有限公司德國HBM SP4MC3MR 10KG傳感器相關型號:9wk廣州南創電子科技有限公司SP4MC3MR/1kg稱重傳感器,SP4MC3MR/3kg稱重傳感器,SP4MC3MR/5kg稱重傳感器,SP4MC3MR/7kg稱重傳感器,SP4MC3MR/10kg稱重傳感器,SP4MC3MR/15kg稱重傳感器,SP4MC3MR/20kg稱重傳感器,SP4MC3MR/30kg稱重傳感器,SP4MC3MR/50kg稱重傳感器,SP4MC3MR/75kg稱重傳感器,SP4MC3MR/100kg稱重傳感器,SP4MC3MR/150kg稱重傳感器,SP4MC3MR/200kg稱重傳感器
9wk廣州南創電子科技有限公司其他品牌產品推薦如下:9wk廣州南創電子科技有限公司自動配料系統9wk廣州南創電子科技有限公司稱重顯示控制儀表9wk廣州南創電子科技有限公司壓力傳感器9wk廣州南創電子科技有限公司nmb壓力傳感器9wk廣州南創電子科技有限公司日本nts稱重傳感器9wk廣州南創電子科技有限公司FUTEK測力傳感器9wk廣州南創電子科技有限公司德國HBM稱重傳感器1-SP4MC3MR/10KG-1產品技術參數:9wk廣州南創電子科技有限公司
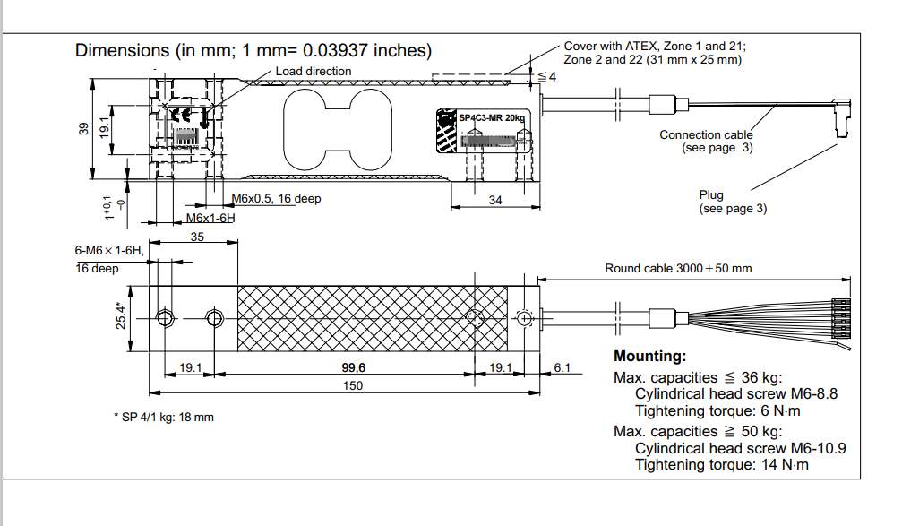
9wk廣州南創電子科技有限公司9wk廣州南創電子科技有限公司德國HBM稱重傳感器SP4MC3MR 10KG尺寸圖:9wk廣州南創電子科技有限公司
9wk廣州南創電子科技有限公司德國HBM稱重傳感器1-SP4MC3MR/10KG-1相關知識拓展閱讀:9wk廣州南創電子科技有限公司德國HBM SP4MC3MR/10kg單點式測力稱重傳感器是一款專業的用于測量壓力的測力傳感器,HBM 1-SP4MC3MR/10kg稱重傳感器主要用于測試設備、包裝秤、配料秤、小型料斗秤、臺秤等。HBM SP4MC3MR 10kg稱重傳感器具有性能穩定,質量可靠,測量等特點。單點式HBM傳感器1-SP4MC3MR/10kg是一種把被測量的狀態轉變為可測的光信號的裝置,單點式HBM稱重傳感器SP4MC3MR/10kg一般由光源、敏感元件、光纖、光敏元件(光接收器)和信號處理系統構成。HBM傳感器1-SP4MC3MR/10kg-1抗偏載性能好。HBM傳感器SP4MC3MR 10kg適用于電子臺秤、電子計價秤、配料秤、營養秤及小力值工業過程的測量與控制。
9wk廣州南創電子科技有限公司9wk廣州南創電子科技有限公司以上是
德國HBM SP4MC3MR/10KG稱重傳感器產品相關銷售商官網、
SP4MC3MR 10KG傳感器廠家電話、
1-SP4MC3MR/10KG-1 HBM稱重傳感器型號類別技術參數選型安裝等資料信息,如果有關
SP4MC3MR10KG HBM傳感器其他相關方面需要,可直接電話聯系
德國HBM PW6DC3MR 5KG傳感器相關負責工程師咨詢020-82303306。
9wk廣州南創電子科技有限公司【廣州
★南創
】:銷售
德國HBM傳感器SP4MC3MR/10KG【銷售商】價格好888元,電話020-82303306可了解
HBM稱重傳感器1-SP4MC3MR/10KG-1多少錢中國官網、廠家、及產品報價等信息" 。
9wk廣州南創電子科技有限公司